SaabCentral Forums banner
21 - 40 of 119 Posts
And in case one finds my above post too long...

(I think!) your statement has the cause and effect backwards:
So it's not when signal is lost from the temp gauge BUT when power input is lost to the edu (or perception of input power by the edu -- eprom glitch?) the following outputs can't happen ie: no voltage signal to the temp/fuel gauge AND no signal to the fan relays...
Thanks for the backup. I had written something similar - with a different take on the cause. Then, before posting, I decided to bite my tongue. I did save it however:

I don't think there is any signal from the gauge that can be "lost". It is a standard 2 coil gauge with three connections:

1. A constant 12 volt power supply

2. A direct connection to ground

3. A variable (1-9) input from the EDU

There is no type of gauge (at least that I'm aware of) that is capable of generating an output signal. Those three connections above are all inputs.

When signal is lost from the temp gauge the ecu shuts the fan off completely...not assumption, this is something I've observed.

Have you considered the possibility that when you observed the fan stop, it was not because of a lost signal from the gauge. Rather, for whatever reason, it stopped because the EDU sensed a sudden drop in resistance across the coolant temperature sensor and dropped the relay out.

As the ohmic value of the sensor drops to the lower end of it's range (but remains greater than 66 ohms - see below) the EDU will do two things:

1. Kick out the fan by opening the ground leg of the associated relay

2. Reduce the variable voltage supply to the gauge - (1-9 volts) as a function of coolant temperature.

As Saab explains it:

The engine coolant temperature sensor is connected to the control module. The coolant temperature sensor consists of an NTC resistor which is mounted in the cylinder block (4 cylinder ) or in the coolant bridge (6 cylinder ).

The control module is connected to the coolant temperature sensor with two leads. 1 V is fed from control module pin 34 and grounded on control module pin 27. The control module calculates engine temperature using the resistance in the resistor.

The control module uses this information to control the radiator fan (both steps 1 and 2 depending on the variant), disconnect the A/C compressor at high engine temperatures and control the coolant temperature display.

Control of the temperature display is in the control module, that is to say the break points in temperature display are programmed into the control module which feeds out a voltage on pin 30 in the range 1 - 9 V depending on the temperature display. The temperature display functions in the same manner as the fuel level gauge display.

If the resistance in the resistor is under 66 Ohms or over 100k Ohms , a diagnostic trouble code is generated in the control module and the control module starts the radiator fan until the fault is remedied.


There is a ton of material under discussion here. It's probably best to tackle things one at a time. First, here are the pinouts for the EDU. It's probably best to have these in hand as we work through the various topics:

 
Chengny -- regarding your post #21:

1) The printouts you show are for the EDU (dash gauge/display) same item as in your post #15 -- item #210 on the diagram?

2) Aren't there two separate temperature sensors on the engine?
The NTC type sensor between cylinders 2 and 3 is the sensor that sends a signal to the ECU (fuel/ignition control) to influence the fuel mixture.

3) there is another temp sensor on the left hand side of the cyl head. I thought it was this sensor that sends a signal to the EDU (dash gauge/display) And it's my understanding (from your diagrams in post #15) that it is this EDU that controls the cooling fan functions.

It will require extra typing but I think it will be worth it use greater precision in our written communication if it's to be of value in sorting out the temp/fuel gauge problem.
Especially since we're not all working off the same wiring diagrams (I think mines an old Mitchel electrical diagram -- that's why I never post "component #'s from that diagram -- I know it won't match anyone else's...)

Please correct me on anything I've said in this post
Cheers!
 
Should probably make sure we're all using the same terms...

When I say ecu I'm talking about the t5 computer unit. Everything else - specifically for this thread - I think of as a module. So when I say edm, I'm talking about the display module.
 
When I say ecu I'm talking about the t5 computer unit. Everything else - specifically for this thread - I think of as a module. So when I say edm, I'm talking about the display module.
Cool.

So does EDU only refer to the clock-box and the dash read-out (voltage/check engine/coolant etc)
I've been using EDU for the module that attaches to the dash-cluster as well...
 
Cool.

So does EDU only refer to the clock-box and the dash read-out (voltage/check engine/coolant etc)
I've been using EDU for the module that attaches to the dash-cluster as well...

I think we all speak the same language now :lol:


Actually, I never think of the clock as anything other than an early version of Saab's SID It's a pretty benign thing imo It tells time, it allows you to toggle through the edm(u)'s readouts and you can program some rudimentary trip calculations but other than that...
 
I think we all speak the same language now :lol:


Actually, I never think of the clock as anything other than an early version of Saab's SID It's a pretty benign thing imo It tells time, it allows you to toggle through the edm(u)'s readouts and you can program some rudimentary trip calculations but other than that...

Without my understanding of all the power/signal in/outs and knowing the insidious nature of Saab eletrical over-engineering...
(What advantage having the fans controlled by the edu in the first place?! The stand-alone thermostatic switch in the radiator worked just fine didn't it?)

Thus -- a "false" output from the clock module could (possibly?) cause a glitch/fault with the edu...

For example (off track but...) removing the signal output of the little cabin-air -sensor-fan causes the acc/hvac to go to uncontrollable full high heat...

My ultimate 9K will have a redesigned dash (I'll be able to read the mph/tach gauges now blocked by the fascia!) with direct reading gauges and a manually controlled hvac. delete the acc2/EDU/edm and fragile gauge cluster altogether... The only part I'd miss is the "door-open" pictogram but I digress... coffee on a rainy saturday morning...
 
Ok, let's do a reboot here because I think we're all getting lost in the weeds. My observation of what happens is this:


* The right side cluster drops out...temp and fuel peg to the bottom.


* The edu flashes a check radiator light and the low fuel light is on


* The cooling fan stops and the air conditioning shuts off


* The cluster can come back to life on its own after a moment or slapping the dash top can get it to come back on. All functions return to normal



Another observation is that this only applies to the cluster dropping out. I say this because I have an intermittent temp reading...sometimes it's on, sometimes it doesn't read...that has no effect on the above observations so it's not simply that the gauge doesn't display. Also, the edu clearly functions in some way because it displays the warnings so it's not just a power loss to the unit itself. It is specific to the reading inputs from the entire right cluster. And, when that output from the cluster is lost, something is doing a job based on that loss of reading, whether it is the edu itself or the ecu
 
Thus -- a "false" output from the clock module could (possibly?) cause a glitch/fault with the edu....

I'm highly doubtful that the clock could affect the edu in that way


You're in rainy day mode; I'm waiting for the temperature to at least reach freezing :roll: because I have a serious draw from what I suspect is a grounded out starter motor that I need to r&r
 
Seems like you have everything right.

Chengny -- regarding your post #21:

1) The printouts you show are for the EDU (dash gauge/display) same item as in your post #15 -- item #210 on the diagram? Yes, the pinout matrices refer to the pins at the EDU connection.

2) Aren't there two separate temperature sensors on the engine?
The NTC type sensor between cylinders 2 and 3 is the sensor that sends a signal to the ECU (fuel/ignition control) to influence the fuel mixture. Yes, and the other sensor - which is only connected to the EDU - is used for fan/temp gauge control.

3) there is another temp sensor on the left hand side of the cyl head. I thought it was this sensor that sends a signal to the EDU (dash gauge/display) And it's my understanding (from your diagrams in post #15) that it is this EDU that controls the cooling fan functions. Yes. As noted above, that is correct.

It will require extra typing but I think it will be worth it use greater precision in our written communication if it's to be of value in sorting out the temp/fuel gauge problem.
Especially since we're not all working off the same wiring diagrams (I think mines an old Mitchel electrical diagram -- that's why I never post "component #'s from that diagram -- I know it won't match anyone else's...)

The list of components associated with the EDU & SCC - which are collectively referred to as the Trip Computer:




Please correct me on anything I've said in this post
Cheers!
 
Cool.

So does EDU only refer to the clock-box and the dash read-out (voltage/check engine/coolant etc)
I've been using EDU for the module that attaches to the dash-cluster as well...
ECM (not part of this discussion) = Engine Control Module

From what I have read over the years, this is how I interpret the nomenclature:

EDU = Electronic Display Unit

SCC = Saab Car Computer

Together, the EDU and SCC form the Trip Computer



The Electronic Display Unit (EDU) trip computer has a different number of functions depending on the car's level of equipment and in which model it has been installed. There are two basic designs; EDU 3M for cars with manual gearbox and EDU 3A for cars with automatic transmission.

The trip computer has a set of buttons under the clock/Saab Car Computer (SCC) and a display under the speedometer which gives information about:

Average fuel consumption
Current fuel consumption
Range possible on the fuel remaining in the tank
Outside temperature
Battery voltage

This information is shown in the left-hand part of the display under the speedometer. The information is changed by repeatedly pressing the INFO button.

The following is shown in the right-hand part of the display:

CHECK ENGINE
CHECK RADIATOR LEVEL

These warnings are displayed automatically. When the ignition is switched on, all these warnings should light and the go out, one at a time, within 4 seconds.


Schematic for the component list shown above:

 
Ok, let's do a reboot here because I think we're all getting lost in the weeds. My observation of what happens is this:


* The right side cluster drops out...temp and fuel peg to the bottom.


* The edu flashes a check radiator light and the low fuel light is on


* The cooling fan stops and the air conditioning shuts off


* The cluster can come back to life on its own after a moment or slapping the dash top can get it to come back on. All functions return to normal



Another observation is that this only applies to the cluster dropping out. I say this because I have an intermittent temp reading...sometimes it's on, sometimes it doesn't read...that has no effect on the above observations so it's not simply that the gauge doesn't display. Also, the edu clearly functions in some way because it displays the warnings so it's not just a power loss to the unit itself. It is specific to the reading inputs from the entire right cluster. And, when that output from the cluster is lost, something is doing a job based on that loss of reading, whether it is the edu itself or the ecu
So from my (limited) experience -- when the right side cluster drops out:
"* The edu flashes a check radiator light and the low fuel light is on"
I see the low fuel/check radiator light come on at the same time I see my temp/fuel needles bounce back up to a functional reading -- or while driving I don't notice the temp/fuel needles drop to "off" but notice the low fuel/check radiator light come on and assume the needles must have dropped for a moment. Since the low fuel/check radiator lights are part of the start-up sequence when you apply electrical power to start the car I've assumed the temp/fuel gauge "peg to the bottom" has been caused by a loss of power to, or within the EDU.

I haven't had the r/h cluster drop out long enough to know if my fans were also taken out -- 90% or more of my driving is hwy. I only ever hear the fan after driving in the summer when it runs a bit after engine shutdown...

"Also, the edu clearly functions in some way because it displays the warnings so it's not just a power loss to the unit itself."
By this are you saying that your temp/fuel needles are pegged at the bottom BUT you have the check radiator and low fuel light stay on?
That would be a slightly different set of symptoms than mine.
 
So from my (limited) experience -- when the right side cluster drops out:
"* The edu flashes a check radiator light and the low fuel light is on"
I see the low fuel/check radiator light come on at the same time I see my temp/fuel needles bounce back up to a functional reading -- or while driving I don't notice the temp/fuel needles drop to "off" but notice the low fuel/check radiator light come on and assume the needles must have dropped for a moment. Since the low fuel/check radiator lights are part of the start-up sequence when you apply electrical power to start the car I've assumed the temp/fuel gauge "peg to the bottom" has been caused by a loss of power to, OR within the EDU.

I haven't had the r/h cluster drop out long enough to know if my fans were also taken out -- 90% or more of my driving is hwy. I only ever hear the fan after driving in the summer when it runs a bit after engine shutdown...

"Also, the edu clearly functions in some way because it displays the warnings so it's not just a power loss to the unit itself."
By this are you saying that your temp/fuel needles are pegged at the bottom BUT you have the check radiator and low fuel light stay on?
That would be a slightly different set of symptoms than mine.

Well...like I said, the edu is still functioning since 1) it knows to warn and flash the check radiator signal and 2) it lights up the low fuel light , so in my mind there;s not a loss of power input to the unit.


I don't think the symptoms are slightly different than yours. I think the period of observation and duration might be different. I've seen this drop last for nanoseconds and I've seen this last for many seconds. What is for sure is that the check radiator signal happens no matter how short the period of duration is
 
ECM (not part of this discussion) = Engine Control Module

From what I have read over the years, this is how I interpret the nomenclature:

EDU = Electronic Display Unit

SCC = Saab Car Computer

Together, the EDU and SCC form the Trip Computer


The Electronic Display Unit (EDU) trip computer has a different number of functions depending on the car's level of equipment and in which model it has been installed. There are two basic designs; EDU 3M for cars with manual gearbox and EDU 3A for cars with automatic transmission.

The trip computer has a set of buttons under the clock/Saab Car Computer (SCC) and a display under the speedometer which gives information about:

Average fuel consumption
Current fuel consumption
Range possible on the fuel remaining in the tank
Outside temperature
Battery voltage

This information is shown in the left-hand part of the display under the speedometer. The information is changed by repeatedly pressing the INFO button.

The following is shown in the right-hand part of the display:

CHECK ENGINE
CHECK RADIATOR LEVEL

These warnings are displayed automatically. When the ignition is switched on, all these warnings should light and the go out, one at a time, within 4 seconds.


Schematic for the component list shown above:
Thanks again for the diagrams!
"SCC" was a new one onto me...
And I didn't realize (I haven't had one apart yet!) that the digital readout for voltage and mpg etc was physically part of the EDU module -- I was thinking the display screen was afixed to the tach/speedo cluster...


Impressive that for as many 9K's as you've been maintaining you've not encountered this foible before...
 
Impressive that for as many 9K's as you've been maintaining you've not encountered this foible before...

Well like I said, this is an "aging out" issue, so it's showing up more and more over the last little while...


The newest of these cars is 20 years old
 
Thanks again for the diagrams!
"SCC" was a new one onto me...
And I didn't realize (I haven't had one apart yet!) that the digital readout for voltage and mpg etc was physically part of the EDU module -- I was thinking the display screen was afixed to the tach/speedo cluster...


Impressive that for as many 9K's as you've been maintaining you've not encountered this foible before...

Impressive that for as many 9K's as you've been maintaining you've not encountered this foible before.

I was just lucky I guess. Whenever they complained of a no gas/temp gauge condition, I was always able to get them working again by sticking my hand in the SCC opening and reseating the 7 pin plug in it's socket.





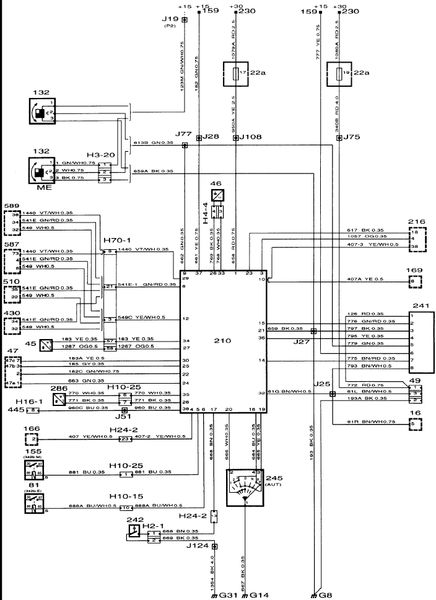
But it sounds like you guys are dropping power to the EDU. There are two power supplies, one is ignition switched on +15 and the other is always hot from the battery on +30. See below:




Voltage supply

The Electronic Display Unit (EDU) control module is supplied voltage from +30 and +15. +30 gives power feed and +15 is used to start the control module.

Voltage is fed from +30 via fuse 17 in electrical distribution box 22A to pin 1 on the control module. +15 is fed directly from the +15 distribution terminal to pin 37 on the control module.

The control module works over the range 7.5 - 16 V .

Grounding points

The control module is grounded via pin 21 together with the speed sensor to grounding point G8.
 
They fail to mention that after the ignition switch, the +15 is fed through fuse #13 - and then to the EDU and the warning lights section of the instrument panel. These warning lights:



Which are connected at this pin set:



Just as useless info, the pictogram lights are supplied at this set:



On the other side of the panel - above the pictogram - there is an additional printed circuit. It has 7 pin connections like the one on the other side. There is not much going on over there. Usually just the tach, LH directional indicator and the backlighting. There are provisions for a "lights on" indicating lamp (not used in the US or Canada) and a TCS lamp.






Might as well cover everything. Last are the 2 connections in back of the speedometer. There is a 2 pin and a 3 pin connector:



The 2 pin is in from the signal generator (mounted on the transmission) and the 3 pin is out from the vehicle speed sensor (which receives input from the speedometer itself). That speed sensor signal is used by a number of components:



COMPONENT ID

111 Electronic speedometer in the main instrument display panel.

112 Sensor, electronic speedometer, on the gearbox.

132 Vehicle speed sensor, in the speedometer.

210 EDU trip computer in the main instrument display panel.

241 SCC trip computer in the center of the dashboard.

256 Speed warning buzzer, in the center console's bottom storage compartment.

356 Speed warning control module, at the rear of the bottom storage compartment in the center console.

430 Saab Trionic control module, in the engine bay at left on the bulkhead partition.

508 Cruise Control system control module, adjacent to the battery tray.

510 Motronic 2.8.1 control module, in engine bay behind the bulkhead partition.

589 Saab Trionic OBDII control module, in the engine bay at left on the bulkhead partition.hhhh
 
Ok, re-reading the thread for the umpteenth time, one image that chengny posted early on shows the back of the cluster, ribbon tape and id's the pin functions.



One thing thing that has me shifting my thought process...pin 2 gets constant 12v to the gauges from the edu(m). If that's lost, obviously the gauges will drop out and obviously the edu(m) will then go through its courses of action...lighting the low fuel lamp, flashing the check radiator warning and then cooling fan shuts down, a/c shuts down until that 12v signal gets back to pin 2


Slapping the dash top over the area of that gauge cluster seems to be a common response from people so there's a start...
 
Ok, re-reading the thread for the umpteenth time, one image that chengny posted early on shows the back of the cluster, ribbon tape and id's the pin functions.



One thing thing that has me shifting my thought process...pin 2 gets constant 12v to the gauges from the edu(m). If that's lost, obviously the gauges will drop out and obviously the edu(m) will then go through its courses of action...lighting the low fuel lamp, flashing the check radiator warning and then cooling fan shuts down, a/c shuts down until that 12v signal gets back to pin 2


Slapping the dash top over the area of that gauge cluster seems to be a common response from people so there's a start...
That was my symptoms on the car and I couldn´t change the EDU the spare wasen't for a automatic.
 
21 - 40 of 119 Posts